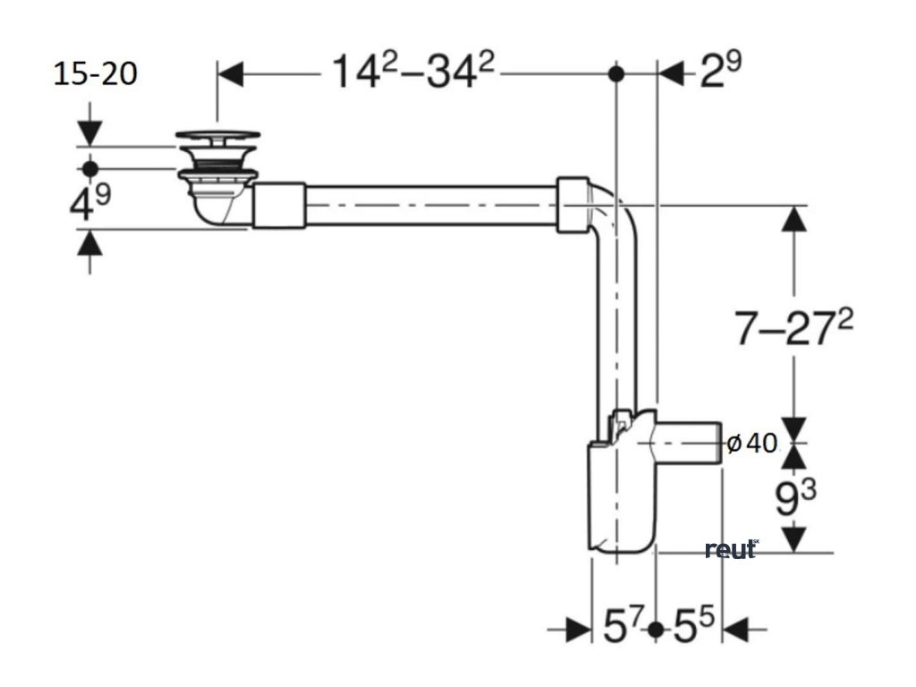
Geberit Príslušenstvo Úsporný umývadlový sifón s výpustom na umývadlá bez prepadu, chróm 152.093.21.1
Code: 152.093.21.1
Garancia originality
kvality a pôvodu produktov
Doprava zdarma
pri nákupe nad 200 €

Rýchle doručenie
zvyčajne od 24 - 48h

Záruka najlepších cien
zľavy až 70% na vybrané produkty
Discussion
Be the first who will post an article to this item!
LÍDER NA EURÓPSKOM TRHU SO SANITÁRNYMI VÝROBKAMI
Globálne pôsobiaca skupina Geberit je európskym lídrom v oblasti sanitárnych produktov. Vo väčšine európskych krajín pôsobíme so silným lokálnym zastúpením a poskytujeme jedinečnú pridanú hodnotu, pokiaľ ide o sanitárnu techniku a kúpeľňovú keramiku.
Výrobná sieť zahŕňa 26 výrobných zariadení, z ktorých 4 sa nachádzajú v zámorí. Skupina má sídlo v Rapperswil-Jona vo Švajčiarsku. S takmer 12 000 zamestnancami v približne 50 krajinách dosiahol Geberit v roku 2021 čisté tržby vo výške 3,5 miliardy CHF. Akcie spoločnosti Geberit sú kótované na švajčiarskej burze SIX a od roku 2012 sú zahrnuté v indexe SMI (Swiss Market Index).

