Geberit Kombifix Set predstenovej inštalácie, klozetu a dosky Ideal Standard Tesi, tlačidla Sigma20, Rimless, SoftClose, biela/chróm 110.302.00.5 NE5
Kód: 110.302.00.5 NE5


Podrobný popis
Set predstenovej inštalácie, klozetu a WC dosky Ideal Standard Tesi, tlačidla Sigma20, biela/chróm
Obsahuje
- predstenový inštalačný prvok Geberit Kombifix (111.302.00.5), so splachovacou nádržkou pod omietku
- súpravu na tlmenie hluku
- keramický závesný klozet klozet Ideal Standard Tesi
- Rimless - technológia bezokrajového splachovania
- WC dosku Ideal Standard Tesi
- SoftClose - pozvoľné, tiché sklápanie
- 2-činné ovládacie tlačidlo Geberit Sigma20, farba: biela/chróm (115.883.KJ.1)
Tento inštalačný set je dostupný v ďalších variantoch vyhotovenia ovládacieho tlačidla.
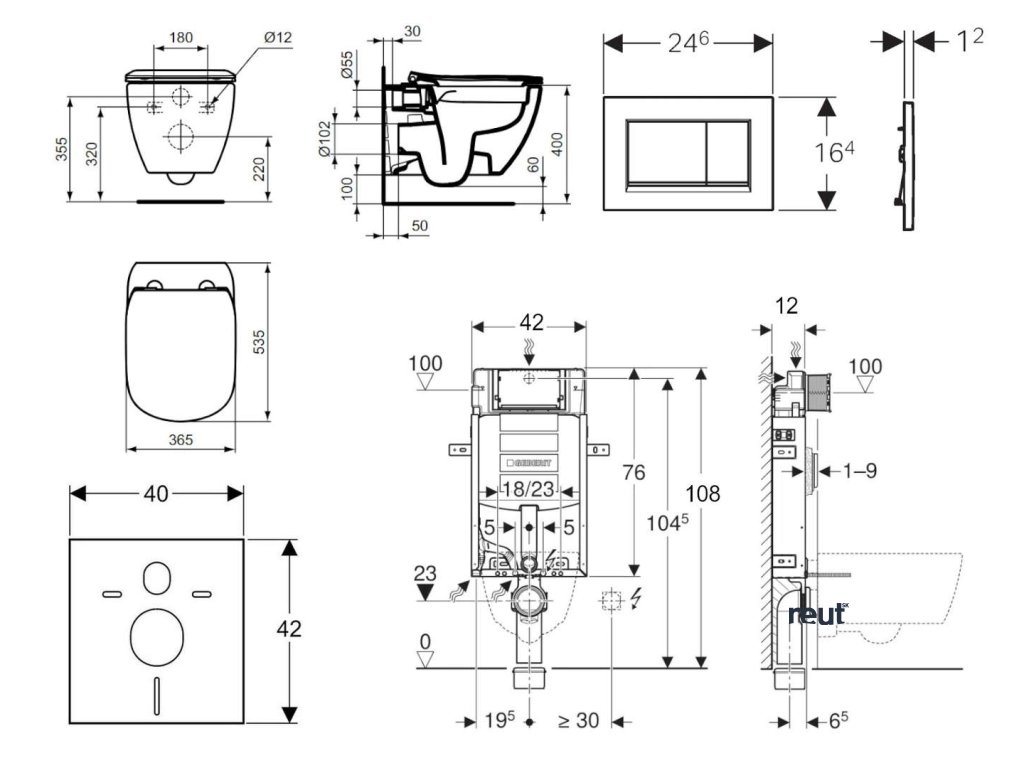
Montážny prvok Kombifix na závesné WC so splachovacou nádržkou pod omietku Sigma 12 cm
Účel použitia
- na murované steny
- na montáž do predstenových inštalácií čiastočne vysokých alebo vysokých na výšku miestnosti
- na závesné WC s pripojovacími rozmermi podľa EN 33:2011
- na 1 množstvo splachovania, 2 množstvá splachovania alebo splachovanie Štart/Stop
Vlastnosti
- montážny rám s práškovou farbou
- montážny rám so štyrmi upevňovacími uholníkmi
- pripojovacie koleno na montáž bez náradia
- upevnenie pripojovacieho kolena je možné inštalovať spredu bez náradia
- splachovacia nádržka pod omietku s ovládaním spredu
- splachovacia nádržka pod omietku, izolovaná proti roseniu
- pri nastavení z výroby je možné okamžité dodatočné spláchnutie
- montážne a servisné práce na splachovacej nádržke pod omietku bez náradia
- prívod vody vzadu alebo hore uprostred
- kryt na hrubú montáž na servisný otvor chráni pred vlhkosťou a nečistotami
- kryt na hrubú montáž na servisný otvor s možnosťou skrátenia
- vybavený rúrkovou chráničkou na prívodné potrubie na pripojenie sprchovacích WC Geberit AquaClean
- s možnosťou upevnenia na prívod elektriny
Technické údaje
- tlak pri prietoku: 10-1000 kPa
- maximálna teplota vody: 25 °C
- splachovacie množstvo, nastavenie z výroby 6 a 3 l
- veľké splachovacie množstvo, rozsah nastavenia: 4.5 / 6 / 7.5 l
- malé splachovacie množstvo, rozsah nastavenia: 3-4 l
Obsah dodávky
- prívod vody R 1/2", vhodný pre MF, s integrovaným rohovým ventilom a ručným ovládacím kolieskom
- kryt na hrubú montáž na servisný otvor
- pripojovacia súprava na WC, Ø 90 mm
- pripojovacie koleno Ø 90 / 110 mm
- 2 ochranné zátky
- 2 závitové tyče M12
- upevňovací materiál
Závesný klozet Ideal Standard Tesi
- s technológiou bezokrajového splachovania RimLS+
- rozmery: 365 x 535 x 400 mm
- materiál: sanitárna keramika
- skryté upevnenie
- hlboké splachovanie
- WC doska s funkciou pomalého sklápania SoftClose
Ovládacie tlačidlo Sigma20, na 2 množstvá splachovania
- rozmery: 246 x 164 mm
- materiál: plast
- farba vyhotovenia: biela/chróm
- na ovládanie splachovania splachovacích nádržiek pod omietku Geberit Sigma
- upevňovací rámček
- 2 nastaviteľné úchytky
- 2 tyčky tlačidla
- tyčky tlačidla sú zvukovo izolované, rýchle nastavenie bez náradia
Dodatočné parametre
| Kategória: | Závesné WC - kompletné sady |
|---|---|
| Záruka: | 2 roky |
| Hmotnosť: | 200 kg |
| EAN: | 4065305005057 |
| Výrobca: | Geberit |
| ? Farba tlačidla: | Chróm |
| ? Farba WC: | Biela |
| Séria: | Kombifix |
Diskusia
Buďte prvý, kto napíše príspevok k tejto položke.
LÍDER NA EURÓPSKOM TRHU SO SANITÁRNYMI VÝROBKAMI
Globálne pôsobiaca skupina Geberit je európskym lídrom v oblasti sanitárnych produktov. Vo väčšine európskych krajín pôsobíme so silným lokálnym zastúpením a poskytujeme jedinečnú pridanú hodnotu, pokiaľ ide o sanitárnu techniku a kúpeľňovú keramiku.
Výrobná sieť zahŕňa 26 výrobných zariadení, z ktorých 4 sa nachádzajú v zámorí. Skupina má sídlo v Rapperswil-Jona vo Švajčiarsku. S takmer 12 000 zamestnancami v približne 50 krajinách dosiahol Geberit v roku 2021 čisté tržby vo výške 3,5 miliardy CHF. Akcie spoločnosti Geberit sú kótované na švajčiarskej burze SIX a od roku 2012 sú zahrnuté v indexe SMI (Swiss Market Index).
Geberit je svetovým lídrom, ktorý už od roku 1874 určuje smer v sanitárnom inžinierstve. Značka je známa tým, že jej produkty nie sú len pekné na pohľad, ale predovšetkým technicky neprekonateľné tam, kde to nie je vidieť – v stenách. Na reut.sk prinášame portfólio Geberit pre tých, ktorí chcú pokojný spánok a záruku, že ich splachovací systém nikdy nezradí. Od ikonických inštalačných modulov Duofix cez elegantné ovládacie tlačidlá až po luxusnú keramiku a nábytok, Geberit spája dokonalú hygienu s nadčasovým dizajnom a šetrným prístupom k vode.
Prečo si vybrať Geberit z reut.sk?
-
Legendárna spoľahlivosť: Podomietkové nádržky Geberit sú testované na dekády prevádzky a sú prakticky nezničiteľné.
-
Dostupnosť náhradných dielov: Geberit garantuje dostupnosť funkčných dielov po dobu až 50 rokov od ukončenia výroby daného modelu.
-
AquaClean technológia: Revolučné sprchovacie WC, ktoré definujú nový štandard osobnej hygieny.
-
Systém Rimfree: Keramika bez splachovacieho okruhu pre 100 % čistotu bez baktérií a jednoduchú údržbu.
-
Švajčiarska precíznosť: Každý detail je navrhnutý pre maximálnu funkčnosť a tichý chod.
-
Dizajnová variabilita: Tlačidlá sérií Sigma, Omega či Bolero v desiatkach materiálov a farieb priamo na reut.sk.
-
Jednoduchá montáž: Systémy navrhnuté tak, aby ich inštalácia bola rýchla, presná a bezpečná.
-
Úspora vody: Inovatívne vypúšťacie ventily, ktoré umožňujú nastaviť splachovanie na minimálny objem.
-
Prémiová podpora: Na reut.sk vám pomôžeme vybrať správny modul pre váš typ steny (sadrokartón vs. zamurovanie).


